Fodor Antal, HA8KL: Magasabb frekvenciák felé

A magasabb frekvenciák fele, hát mit lehetne itt leírni?

- hogy mennyire nehéz, -NEM annyira, ha betartjuk a lépcsőket, és fokozatosan közelítjük a GHZ-ket-, mert bizony itt is a tapasztalatiság érvényesül, ha nincs pénzünk kész konverterre illetve egyéb eszközre, akkor csak a saját ötleteinkre hagyatkozhatunk, ami lehet nem is annyira rossz, mert bizony valljuk be; -az idő elszaladt, ami mondjuk 4-6 éve /egy aktív elem zajszámában/ kuriózumnak számított az most kis ügyességgel hétköznapi. Azért kezdem így mert, lehet erősíteni akár BFR90 is, de ennek sikere már túlnőtte jelenkor követelményeit. Akár egy DOWN konverter megépítése (100 USD felett) akár egy komplett RX-TX konverter megépítése (200 USD felett) nem jelenthet akadályt, ha ismerjük ezeknek a frekvenciáknak a tulajdonságait nagyvonalakban.

De tekintsük át, miben különbözik egy 2m konverter mondjuk, egy 23cm konvertertől, /ha levesszük az RX első aktív elem paraméterét/ szinte semmiben! Hiszen ugyan úgy van bemeneti párhuzamos kör, ugyanúgy van párhuzamos szűrő RX-TX ágban és van KF erősítő és van lokál ág.
Akkor miért drága ? -mert túl misztifákálták, természetesen egy újszülöttnek minden Vicc ÚJ, DE Meddig, hamar megtanulja őket, és azután?

Azután más nem marad, mint NEKI KELL FOGNI ! *Meg-alkotni* az első konvertert, az után meg a következőt, és az utána következőt, és így tovább, sajnos jól lemaradt a HA hívójel a 90-es években a magasabb frekvenciák meghódításában, természetesen voltak kivételek ( minden tisztelet az övék ! )

Tehát nem kell hanyatt esnünk, ha jó konverter akarunk építeni minden esetben a legfontosabb pontos és FIX lokál ág, majd a megfelelően érzékeny, zajszegény /lehetőleg több fokozatú/ előerősítő, és a keverő, hiszen venni kell először, majd adni.

A keverő kapcsolások talán mutatják a legváltozatosabb képet, a DBM-en keresztül egészen a FET-ig, de vizsgáljuk meg valójában mi is a cél.
Vagy az érzékenység, vagy a nagyjelű viselkedés (IP3) lehet a fontos, DE a kettő eggyüt már meglehetősen nehezen megvalósítható direktíva. És még nem beszéltünk esetlegesen a kimeneti szintekről. Fontos az alapvevő jeligényének ismerete, mert ha kevés akkor csak a keményebb jeleket halljuk, de ha sok akkor viszont több gonddal is szembesülünk, egyrészről a magasabb jel előállítása csak is magasabb zajjal lehetséges, másrészről a magasabb szintű jelet valamilyen szinten kezelni kell, azaz jelen esetben csillapítani, ami újabb veszteség.
Tehát könnyen elcsúszhatunk ezen a pályán, ha szolgai módon kezdünk hozzá 1 publikált kapcsolás után építéséhez.

Lássunk néhány példát:

A képen látható kapcsolás egy mondhatnánk; -elnagyolt verzió.
A fokozatokat jobban ki kell munkálni, akár nagyfrekvenciás akár DC vonalon. A DC beállításokban meg kell keresni az optimális munkapontot ahol az eszközök a legnagyobbat erősítik a legkisebb zaj mellet, ezt sajnos csak elemenkénti DC szabályzással érhetjük el, ami kicsit meg bonyolítja a kapcsolásokat, viszont az eszközök nem vadulnak meg, a paraméterek korrektül kézben tartható néhány trimerrel.

Sajnos /a fenti kapcsolásban/ a JFET könnyen túl vezérlődik, és még nem is említettük a frekvencia növekedésével jelentkező nehézségeket.
A biporális tranzisztorok megfelelő DC beállításokkal optimálisnak mutatkoznak, mint keverési veszteség/nyereség, mint dinamika vonatkozásában. Ezen beállításokat adott lokál szinthez, a kimeneti kört az eredő zajhoz optimalizálni kell minden esetben.

De, gondoljuk csak át, mondjuk egy DBM-et kellene le illesztenünk egy adott rendszerben, már a kimeneti illesztő hálózat is gondot jelentene, nem beszélve az általában közel 50mW nagyságrendű zajszegény lokál igényről, és a közel 6dB beiktatási csillapítás/veszteségről, ami kis jelek esetén nagyon-nagyon zavaró tud lenni.

A következő kapcsolás egy, hmm amolyan tényleg egyszerű képet mutat, a lényeg; -hogy jól elkülöníthetőek az áramköri elemek, tisztán látszik az RX-TX ág. És a diódás váltó, ami a rosszul kivitelezett relés kapcsolásnál nagyságrendekkel kisebb zajt hoz.



Lentebb a fizikai megvalósítás, igaz nem túl szép, de a célnak megfelelt.



Ez csupán példa, ha a szűrő helyére más kivitelű, más frekvenciára hangolt szűrő esetén, ott fog működni.

A sávszűrőről fontosságát nem lehet eleget hangsúlyozni, vannak kitt-ben kapható konstrukciók ahol többnyire gazdasági szempontok alapján nyomtatott sávszűröket alkalmaznak. Vagy gyári kivitelű helikális szűrőket amelyek a legkevésbé elérhetőek, bár praktikusnak látszanak, de teljesítmény / ár arányban semmiféleképpen sem optimálisak, csupán kényelmesek.

Véleményem szerint a szűrő attól szűrő, hogy az adott helyen az adott frekvenciára van hangolva, a frekvencia emelkedésével egyre több jellemzőt kell figyelembe vennünk, akár egy sima párhuzamos kör kialakításánál, mivel a maximális után építhetőség az egyik főkritérium. Ezért szem előtt kell tartanunk azt, hogy sokan és sokféleképen építhetik meg a kapcsolást, természetesen akinek van pénze az áldozhat sokszor tízezer forintot egy originál-nyákért, de aki esetleg nem akar erre ennyit költeni azok számára töredékből is megoldható a dolog, és az eszköz könnyedén hangolható, aktualizálható az adott környezetre.

Sajnos az aktív elemek szórása is elég nagy még azonos típuson belül is jelentős az eltérés a gyártók között, tehát az optimális teljesítmény elérése érdekében célszerű az aktív elemek munkapontját is egyenként beállítani, nem szolgai módon lemásolni a fix értékeket, mert lehet az, hogy akkor és ott jónak látszott, de az aktuális elemekkel és környezetben már más értékek lehetnek megfelelőek.



Kivitelezési példa; - 1,2Ghz-s három körös sávszűrő kis impedanciás táplálással.

Az eszköz megvalósításánál törekedni kell /a lehetőségekhez képest/ maximális anyag minőségre, ezüstözött idom vagy huzal és jobb minőségű trimer kondenzátor. Természetesen ez megoldható nyákon is zöld SKY-trimmerrel, de az eredmény összehasonlíthatatlan.
A körök számával nem célszerű spórolni, a két körös szűrők nagyság rendekkel kisseb teljesítményt nyújtanak.

LOKÁL ÁG:

Az eszköz meghatározó paramétere a lokál pontossága és stabilitása, mert a magasabb frekvenciákon csak szorvány-forgalommal számolhatunk, VAGY a jeladók megfigyelésére hagyatkozunk.
Ez utóbbi több aspektusból is hasznos, mert tesztelhetjük a frekvencia pontosságát/stabilitását, az RX ág érzékenységét / zaját, azaz gyakorlatilag az egész konvertert.



Egy klasszikus lokál, 144/28 konverter számára. A szerző felvétele 2000-ben.

A lokál kvarc-frekire hangolt kétkörös szűrővel indul, majd a háromszorozás után egy két körös, majd kissebb erősítés után egy háromkörös szűrő, /ami a minimum ezen a frekin /.

Magasabb frekvencián:


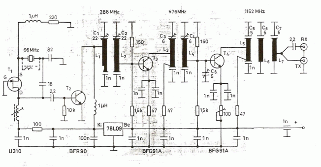
Egy érdekes lokál, 4, 3 fokozatokkal 1,2G/144M konverter számára.
A klasszikus lokál 3,2,2, fokozatokkal 1,2G/144M konverter számára.

A 96 Mhz kvarc a 12 szerezés miatt kicsit instabil, ezért gyakran 32 Mhz PXO-val helyettesítik, sajnos a hiba is 36 szorozódik, DE stabil. Kis szerencsével találhatunk megfelelő tokot, amit a tápfesz kismértékű változtatásával beállíthatunk a pontos értékre.
Természetesen minél kisebb a forrás/lokálág saját zaja annál használhatóbb azaz, annál érzékenyebb konverter készíthető.

De, talán az egész OKOSKODÁS; -szinte nem ér semmit, ha nem ismerjük a környezet ZAJ-intenzitását, annak letörési idejét, vagy az antennánk karakterisztikáját, annak előre/hátra viszonyát.
A hathatós megoldás a jeladók megfigyelése, a tapasztalatok azt mutatják; -hogy a legbonyolultabb hálózat-analízátoros vizsgálatok sem helyettesíthetik a gyakorlati berepülést, kis türelemmel tudni fogjuk, hogy mit hogyan állítsunk, különösen, ha van egy etalon érték, amihez viszonyíthatjuk eredményeinket.



 

© Makói Rádióamatőr Klub HA8KL